text.skipToContent text.skipToNavigation
ARW 9 x 6-3
Best.-Nr. 563055
Produktdetails
Abräumwagen aus rostfreiem Edelstahl
Maße der Borde: 3 Borde 900 x 550 mm
max. Belastung je Bord: 80 kg
Tragfähigkeit: 120 kg
Basismodell 292468
Maß der Borde Länge 900 Millimeter
Anzahl Borde 3
Lichtes Maß zwischen Borden 275 Millimeter
Maß der Borde Breite 550 Millimeter
Außenmaß Höhe 1030 Millimeter
Elektrik Nein
Auflagen/Sicken Nein
Außenmaß Tiefe 1000 Millimeter
Außenmaß Breite 650 Millimeter
Gewicht 23 Kilogramm
Material Edelstahl 18/10
Produktgruppe Servierwagen
Rollenausführung 1 Satz Rollen mit verzinktem Stahlgehäuse, mit Standardbereifung, Durchmesser 125 mm, 4 Lenkrollen, davon 2 mit Feststeller
Anzahl Borde 3 Stück
Weitere Dokumente (1)
Kundeninformationszeichnungen (3)
Gebrauchs- & Bedienungsanleitungen (2)
LV-Texte (5)
PLATTE,ANTIDROEHN- 500X190X1,9 136020
PLATTE,ANTIDROEHN- 500X190X1,9
(gültig ab 25.09.1997)
1 Stück
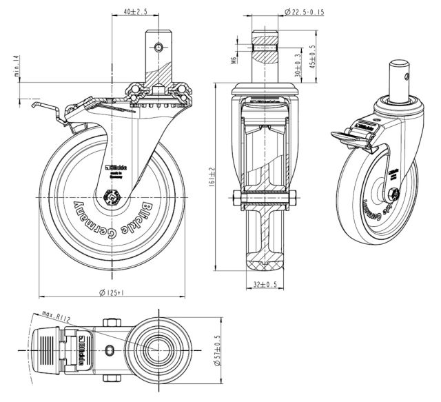
L-Rolle125 Festst.Zpf,RD22.5, verz. (gr) 373984
L-Rolle125 Festst.Zpf,RD22.5, verz. (gr)
(gültig ab 09.11.2011)
2 Stück
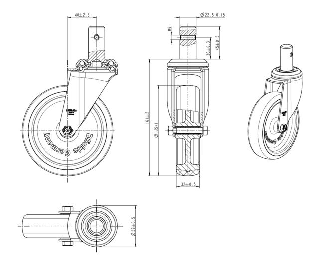
L-Rolle 125, Zpf; RD22.5 verz. (grau) 373985
L-Rolle 125, Zpf; RD22.5 verz. (grau)
(gültig ab 09.11.2011)
2 Stück
SCHRAUBE,ZYLI6KT M6X16 DIN 912 1.4301 M 70609
SCHRAUBE,ZYLI6KT M6X16 DIN 912 1.4301 M
(gültig ab 25.09.1997)
4 Stück
Wandabweiser D100 RAL 7043 verkehrsgrau 373304
Wandabweiser D100 RAL 7043 verkehrsgrau
(gültig ab 09.11.2011)
4 Stück