text.skipToContent text.skipToNavigation

Ersatzteildokumentation

BPT E 2 x 12 combi H/N
BPT E 2 x 12 combi H/N
Best.-Nr. 386615
Produktdetails
B.PROTHERM E 2 x 12 x 1/1 combi heated / neutral
B.PROTHERM E Speisentransportbehälter 1/1, umluftbeheizt / neutral
aus rostfreiem Edelstahl, mit Flügeltüren, fahrbar.
2 x 12 Paar Auflagesicken
Sickenabstand: 38,3 mm
oberes Schrankfach: umluftbeheizt,
Temperaturbereich regelbar von +30°C bis +95°C
unteres Schrankfach: neutral
Netzfrequenz: 50/60 Hz

Ersatzteile

Abbildung Bestellnummer Bezeichnung Anzahl im Gerät
Einsatz 388087
Einsatz
(gültig ab 24.02.2022)
1 Stück
Adapter 386859
Adapter
(gültig ab 24.02.2022)
4 Stück
Druckfeder VD-165 386646
Druckfeder VD-165
(gültig ab 28.07.2022)
1 Stück
DRUCKFEDER D-180-03        FA.GUTEKUNST 246508
DRUCKFEDER D-180-03 FA.GUTEKUNST
(gültig ab 28.07.2022)
2 Stück
Komfortöffnung rechts ohne Deichsel 388101
Komfortöffnung rechts ohne Deichsel
(gültig ab 24.02.2022)
1 Stück
STOPFEN-LAMELLEN- 40X40X1,25 SERIE 120 144218
STOPFEN-LAMELLEN- 40X40X1,25 SERIE 120
(gültig ab 07.09.2022)
2 Stück
Scheibe DIN125-A8,4 MS 83031
Scheibe DIN125-A8,4 MS
(gültig ab 07.09.2022)
3 Stück
Haltebügel 80° 388136
Haltebügel 80°
(gültig ab 24.02.2022)
2 Stück
Scharnier Korpus oben rechts 386649
Scharnier Korpus oben rechts
(gültig ab 24.02.2022)
1 Stück
Abdeckkappe 387488
Abdeckkappe
(gültig ab 24.02.2022)
1 Stück
Magnet KR-27-16-05-N 284644
Magnet KR-27-16-05-N
(gültig ab 24.02.2022)
1 Stück
Rohr Ø25x1,0 L=586,4 386867
Rohr Ø25x1,0 L=586,4
(gültig ab 24.02.2022)
1 Stück
Grundkörper Schiebegriffhalter Ø25 386569
Grundkörper Schiebegriffhalter Ø25
(gültig ab 24.02.2022)
2 Stück
Deckel Schiebegriffhalter links, Logo 372913
Deckel Schiebegriffhalter links, Logo
(gültig ab 24.02.2022)
1 Stück
Deckel Schiebegriffhalter rechts, Logo 372912
Deckel Schiebegriffhalter rechts, Logo
(gültig ab 24.02.2022)
1 Stück
Rohr Ø25x1,0 L=326,4 387460
Rohr Ø25x1,0 L=326,4
(gültig ab 24.02.2022)
1 Stück
Scharnierbolzen unten 386652
Scharnierbolzen unten
(gültig ab 24.02.2022)
1 Stück
Scharnier kpl. 387418
Scharnier kpl.
(gültig ab 24.02.2022)
1 Stück
Zwischenleiste kpl. 387410
Zwischenleiste kpl.
(gültig ab 24.02.2022)
1 Stück
Warmmodul kpl. 760W 387303
Warmmodul kpl. 760W
(gültig ab 24.02.2022)
1 Stück
Radialventilator R2K150/0020-4218 107469
Radialventilator R2K150/0020-4218
(gültig ab 24.02.2022)
1 Stück
Feder 6,9x8  VD_063H_20_1 388233
Feder 6,9x8 VD_063H_20_1
(gültig ab 02.11.2022)
1 Stück
Rohrheizkörper 760W 20.43035.000 107673
Rohrheizkörper 760W 20.43035.000
(gültig ab 24.02.2022)
1 Stück
Temperaturfühler PT1000_B.PROTHERM 107694
Temperaturfühler PT1000_B.PROTHERM
(gültig ab 24.02.2022)
1 Stück
Sicherheitstemperaturbegrenzer 135 °C 105805
Sicherheitstemperaturbegrenzer 135 °C
(gültig ab 24.02.2022)
1 Stück
Schale ohne Schloss 386579
Schale ohne Schloss
(gültig ab 24.02.2022)
1 Stück
Schale mit Schloss 386581
Schale mit Schloss
(gültig ab 24.02.2022)
1 Stück
Schloss 3-kant 386673
Schloss 3-kant
(gültig ab 24.02.2022)
1 Stück
Inbusschraube ISO 7380 M5x8 A2 m. Fl. 70914
Inbusschraube ISO 7380 M5x8 A2 m. Fl.
(gültig ab 24.02.2022)
1 Stück
Schlüssel für 3-Kantschloss 386903
Schlüssel für 3-Kantschloss
(gültig ab 24.02.2022)
2 Stück
Feder kpl. 386771
Feder kpl.
(gültig ab 29.11.2022)
1 Stück
Knopf kpl. 388138
Knopf kpl.
(gültig ab 24.02.2022)
1 Stück
Türgriff 386565
Türgriff
(gültig ab 24.02.2022)
1 Stück
Notöffnung 387941
Notöffnung
(gültig ab 02.12.2024)
1 Stück
Druckfeder VD-180-07 377734
Druckfeder VD-180-07
(gültig ab 03.08.2022)
2 Stück
Blende 386562
Blende
(gültig ab 24.02.2022)
1 Stück
Magnet KV-25-25-13-N 284700
Magnet KV-25-25-13-N
(gültig ab 19.04.2022)
1 Stück
Buchse 389058
Buchse
(gültig ab 24.02.2022)
1 Stück
Dichtung 386778
Dichtung
(gültig ab 24.02.2022)
1,869 Meter
Lüftungsklappe kpl. 389005
Lüftungsklappe kpl.
(gültig ab 09.08.2024)
1 Stück
O-Ring 67.00 x 1.50 EPDM 70 365428
O-Ring 67.00 x 1.50 EPDM 70
(gültig ab 24.02.2022)
1 Stück
Halterohr für Lüfterklappe 386580
Halterohr für Lüfterklappe
(gültig ab 24.02.2022)
1 Stück
Displayhalter 386547
Displayhalter
(gültig ab 24.02.2022)
1 Stück
BPT Display 107664
BPT Display
(gültig ab 24.02.2022)
1 Stück
Displayfolie Atlas 386476
Displayfolie Atlas
(gültig ab 24.02.2022)
1 Stück
Steckerhalterung universal 369654
Steckerhalterung universal
(gültig ab 24.02.2022)
1 Stück
Kunststoffscheibe für Steckerhalterung 117766
Kunststoffscheibe für Steckerhalterung
(gültig ab 24.02.2022)
1 Stück
Steck-Schraub-Leiste 2,5mm², 3pol. 105429
Steck-Schraub-Leiste 2,5mm², 3pol.
(gültig ab 24.02.2022)
1 Stück
BPT Power PCB 107722
BPT Power PCB
(gültig ab 24.02.2022)
1 Stück
BPT Power PCB (max.) 107666
BPT Power PCB (max.)
(gültig ab 24.02.2022)
1 Stück
Kabelverschraubung M20x1,5 schwarz 106304
Kabelverschraubung M20x1,5 schwarz
(gültig ab 24.02.2022)
1 Stück
Sechskantmutter M20x1,5 (Kunststoff) 106311
Sechskantmutter M20x1,5 (Kunststoff)
(gültig ab 24.02.2022)
1 Stück
Magnetschalter MK4-1A75-C-300W 106708
Magnetschalter MK4-1A75-C-300W
(gültig ab 24.02.2022)
1 Stück
Aufkleber Potenzialausgleich 107692
Aufkleber Potenzialausgleich
(gültig ab 24.02.2022)
1 Stück
Spiralkabel Europa 3x1,5 qmm BL-570 107682
Spiralkabel Europa 3x1,5 qmm BL-570
(gültig ab 23.05.2022)
1 Stück
Spiralkabel UK 3x1,5 qmm BL-570 (13A) 107683
Spiralkabel UK 3x1,5 qmm BL-570 (13A)
(gültig ab 24.02.2022)
1 Stück
Spiralkabel CH 3x1,5 qmm BL-570 (10A) 107684
Spiralkabel CH 3x1,5 qmm BL-570 (10A)
(gültig ab 24.02.2022)
1 Stück
Spiralkabel AUS 3x1,5 qmm B-570 10A 107687
Spiralkabel AUS 3x1,5 qmm B-570 10A
(gültig ab 24.02.2022)
1 Stück
Spiralkabel Dänemark 3x1,5 qmm B-570 13A 107689
Spiralkabel Dänemark 3x1,5 qmm B-570 13A
(gültig ab 24.02.2022)
1 Stück
Schutzko.Dose Schweizer Standard T13 sw. 107715
Schutzko.Dose Schweizer Standard T13 sw.
(gültig ab 24.02.2022)
1 Stück
Einbausteckdose British standard 106803
Einbausteckdose British standard
(gültig ab 24.02.2022)
1 Stück
Schutzkontakt-Anbausteckdose Dänemark 106822
Schutzkontakt-Anbausteckdose Dänemark
(gültig ab 24.02.2022)
1 Stück
Einbausteckdose mit Erdungsstift 106737
Einbausteckdose mit Erdungsstift
(gültig ab 24.02.2022)
1 Stück
SCHUKO Schutzkontakt-Anbausteckdose-swrz 107716
SCHUKO Schutzkontakt-Anbausteckdose-swrz
(gültig ab 24.02.2022)
1 Stück
Gummidichtung für ABL Steckdosen 106891
Gummidichtung für ABL Steckdosen
(gültig ab 24.02.2022)
1 Stück
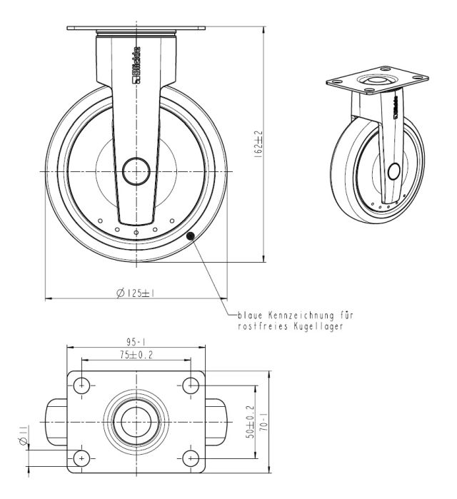
L-Rolle 125 Festst. DIN-PL, PA (grau) 386501
L-Rolle 125 Festst. DIN-PL, PA (grau)
(gültig ab 24.02.2022)
2 Stück
B-Rolle 125 DIN-PL, PA  (grau) 382548
B-Rolle 125 DIN-PL, PA (grau)
(gültig ab 24.02.2022)
2 Stück
L-Rolle 125 Festst. DIN-PL. CNS 362534
L-Rolle 125 Festst. DIN-PL. CNS
(gültig ab 24.02.2022)
2 Stück
B-Rolle 125 DIN-PL Längs CNS 368461
B-Rolle 125 DIN-PL Längs CNS
(gültig ab 24.02.2022)
2 Stück
L-Rolle 125 Fest, DIN-PL, PA (gr), Anti. 386514
L-Rolle 125 Fest, DIN-PL, PA (gr), Anti.
(gültig ab 24.02.2022)
2 Stück
Unterlegblech 389841
Unterlegblech
(gültig ab 21.08.2024)
2 Stück
Lenkrolle LE-VPP 160R-FI-SG-763612 373392
Lenkrolle LE-VPP 160R-FI-SG-763612
(gültig ab 24.02.2022)
2 Stück
BOCKROLLE  B-VPP 160R-SG-763614 373393
BOCKROLLE B-VPP 160R-SG-763614
(gültig ab 24.02.2022)
2 Stück
Lenkrolle LE-POEV 160R-FI-SG 843898 373593
Lenkrolle LE-POEV 160R-FI-SG 843898
(gültig ab 24.02.2022)
2 Stück
Bockrolle B-POEV 160R-SG 843899 373594
Bockrolle B-POEV 160R-SG 843899
(gültig ab 24.02.2022)
2 Stück
LENKROLLE LEX-VPP 160XR-FI-SG 146794
LENKROLLE LEX-VPP 160XR-FI-SG
(gültig ab 24.02.2022)
2 Stück
BOCKROLLE BX-VPP 160XR-SG 146795
BOCKROLLE BX-VPP 160XR-SG
(gültig ab 24.02.2022)
2 Stück
Lenkrolle LEX-POEV 160XR-SG-FI-844625 373398
Lenkrolle LEX-POEV 160XR-SG-FI-844625
(gültig ab 24.02.2022)
2 Stück
BOCKROLLE BX-POEV 160XR-SG-844626 373399
BOCKROLLE BX-POEV 160XR-SG-844626
(gültig ab 24.02.2022)
2 Stück
3-seitige Galerie für BPT E 387228
3-seitige Galerie für BPT E
(gültig ab 24.02.2022)
1 Stück
4-seitige Galerie für BPT E 387226
4-seitige Galerie für BPT E
(gültig ab 24.02.2022)
1 Stück
Stoßschutz oben kpl. 387196
Stoßschutz oben kpl.
(gültig ab 24.02.2022)
1 Stück

Spezifikationen

Abstand Sicken 38.3 Millimeter
Elektrik Ja
Anzahl Auflagen/Sicken 24 Paar
Auflagen/Sicken Ja
Temperaturbereich bis 95 Grad Celsius
Temperaturbereich von 30 Grad Celsius
Heiz-/Kühltechnik aktive Umluftheizung
Material Edelstahl 18/10
Produktgruppe B.PROTHERM Edelstahl

Dokumente

Konformitätserklärungen (1)
CE - BPT E beheizt DE-EN
Gebrauchs- & Bedienungsanleitungen (11)
BA BPT Warmgeräte -de-
BA BPT Warmgeräte -en-
BA BPT Warmgeräte -fr-
BA BPT Warmgeräte -es-
BA BPT Warmgeräte -nl-
BA BPT Warmgeräte -cs-
BA BPT Warmgeräte -ru-
BA BPT Warmgeräte -hr-
BA BPT Warmgeräte -slo-
BA BPT Warmgeräte -kor-
Beileger QM-Spot DE-EN-FR-ES-NL-CZ
LV-Texte (1)
386615_LV_EN_BPT E 2 x 12 combi NN Special.docx