text.skipToContent text.skipToNavigation

Ersatzteildokumentation

ARW 10 x 6-3
ARW 10 x 6-3
Best.-Nr. 575224
Produktdetails
Abräumwagen aus rostfreiem Edelstahl
Maße der Borde: 3 Borde 1000x600 mm
max. Belastung je Bord: 80 kg
Tragfähigkeit: 200 kg
Basismodell 292469

Ersatzteile

Abbildung Bestellnummer Bezeichnung Anzahl im Gerät
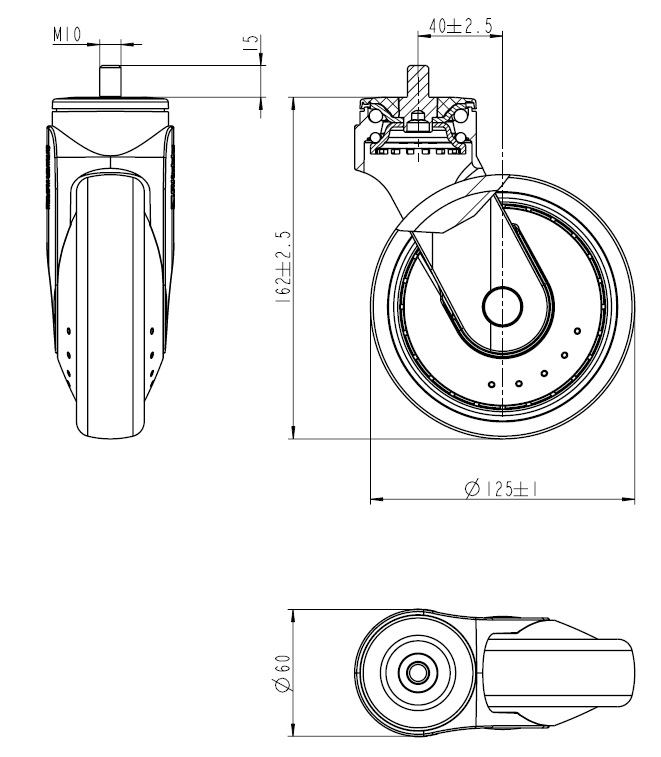
L-Rolle 125 Festst, R-Loch; M10, PA (gr) 386507
L-Rolle 125 Festst, R-Loch; M10, PA (gr)
(gültig ab 28.10.2022)
2 Stück
Scheibe,Unterlag- B 10,5 DIN 9021 1.4301 83141
Scheibe,Unterlag- B 10,5 DIN 9021 1.4301
(gültig ab 22.11.2022)
2 Stück
L-Rolle 125 R-Loch, M10, PA (grau) 382552
L-Rolle 125 R-Loch, M10, PA (grau)
(gültig ab 17.10.2011)
2 Stück
L-Rolle 125 R-Loch, M10, PA (grau) 386508
L-Rolle 125 R-Loch, M10, PA (grau)
(gültig ab 28.10.2022)
2 Stück
Hutmutter DIN 917-M10 82238
Hutmutter DIN 917-M10
(gültig ab 17.10.2011)
4 Stück
Federring DIN127-A10 83070
Federring DIN127-A10
(gültig ab 17.10.2011)
4 Stück
Wandabweiser D100 RAL 7043 verkehrsgrau 373304
Wandabweiser D100 RAL 7043 verkehrsgrau
(gültig ab 25.09.1997)
4 Stück
PLATTE,ANTIDROEHN- 500X190X1,9 136020
PLATTE,ANTIDROEHN- 500X190X1,9
(gültig ab 20.02.2020)
3 Stück
Verbindungsstück für SW 144906
Verbindungsstück für SW
(gültig ab 25.09.1997)
4 Stück

Spezifikationen

Max. Belastung pro Bord 80 Kilogramm
Maß der Borde Länge 1000 Millimeter
Anzahl Borde 3
Lichtes Maß zwischen Borden 224 Millimeter
Maß der Borde Breite 600 Millimeter
Außenmaß Höhe 1010 Millimeter
Außenmaß Tiefe 1100 Millimeter
Außenmaß Breite 700 Millimeter
Gewicht 30 Kilogramm
Material Edelstahl 18/10
Produktgruppe Servierwagen
Max. Belastung gesamt 200 Kilogramm
Anzahl Borde 3 Stück
Rollenausführung 1 Satz Kunststoffrollen mit Standardbereifung, DIN 18867 Durchmesser 125 mm, 4 Lenkrollen, davon 2 mit Feststeller

Dokumente

Kundeninformationszeichnungen (3)
ARW 10 x 6-3
ARW 10 x 6-3
ARW 10 x 6-3
LV-Texte (5)
575224_LV_DE_ARW 10x6-3.doc
575224_LV_EN_ARW 10x6-3.doc
575224_LV_FR_ARW 10x6-3.doc
575224_LV_NL_ARW 10x6-3.doc
575224_LV_ES_ARW 10x6-3.doc