text.skipToContent text.skipToNavigation

Ersatzteildokumentation

ARW 10 x 6-2
ARW 10 x 6-2
Best.-Nr. 575470
Produktdetails
Abräumwagen aus rostfreiem Edelstahl
Maße der Borde: 2 Borde 1000x600 mm
max. Belastung je Bord: 80 kg
Tragfähigkeit: 160 kg
Basismodell 292469

Ersatzteile

Abbildung Bestellnummer Bezeichnung Anzahl im Gerät
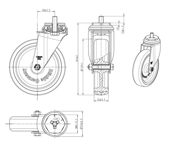
L-Rolle 125 M10x15 verz. (grau) 373987
L-Rolle 125 M10x15 verz. (grau)
(gültig ab 17.10.2011)
2 Stück
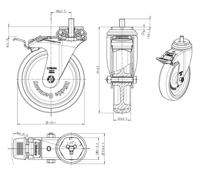
L-Rolle m. Fest. 125 M10x15 verz. (grau) 373988
L-Rolle m. Fest. 125 M10x15 verz. (grau)
(gültig ab 17.10.2011)
2 Stück
Scheibe,Unterlag- B 10,5 DIN 9021 1.4301 83141
Scheibe,Unterlag- B 10,5 DIN 9021 1.4301
(gültig ab 17.10.2011)
4 Stück
Federring DIN127-A10 83070
Federring DIN127-A10
(gültig ab 17.10.2011)
4 Stück
Hutmutter DIN 917-M10 82238
Hutmutter DIN 917-M10
(gültig ab 17.10.2011)
4 Stück
Wandabweiser D100 RAL 7043 verkehrsgrau 373304
Wandabweiser D100 RAL 7043 verkehrsgrau
(gültig ab 25.09.1997)
4 Stück
PLATTE,ANTIDROEHN- 500X190X1,9 136020
PLATTE,ANTIDROEHN- 500X190X1,9
(gültig ab 20.02.2020)
2 Stück
Verbindungsstück für SW 144906
Verbindungsstück für SW
(gültig ab 25.09.1997)
4 Stück

Spezifikationen

Maß der Borde Länge 1000 Millimeter
Anzahl Borde 2
Lichtes Maß zwischen Borden 481 Millimeter
Maß der Borde Breite 600 Millimeter
Außenmaß Höhe 1010 Millimeter
Elektrik Nein
Auflagen/Sicken Nein
Außenmaß Tiefe 1100 Millimeter
Außenmaß Breite 700 Millimeter
Gewicht 25 Kilogramm
Material Edelstahl 18/10
Produktgruppe Servierwagen
Anzahl Borde 2 Stück
Rollenausführung 1 Satz Rollen mit verzinktem Stahlgehäuse, mit Standardbereifung, Durchmesser 125 mm, 4 Lenkrollen, davon 2 mit Feststeller

Dokumente

Kundeninformationszeichnungen (1)
ARW 10 x 6 - 2
Gebrauchs- & Bedienungsanleitungen (2)
BA Servierwagen - multilingual -
GA Servierwagen - multi -
LV-Texte (5)
575470_LV_DE_ARW 10x6-2.docx
575470_LV_EN_ARW 10x6-2.docx
575470_LV_FR_ARW 10x6-2.docx
575470_LV_NL_ARW 10x6-2.docx
575470_LV_ES_ARW 10x6-2.docx